超大扭力
- 大型高品質滾錐軸承,能承受更大的軸向和徑向的負荷及加大盤面設計,使輸出軸能夠承受超大的輸出扭力及剛性極佳,適用大扭力的重型機械。
高起動性
- 行星式結構平衡特性及高精度,低慣性矩,配合伺服馬達具有高起動性。
高定位精度
- 精密齒輪研磨,齒面光滑,齒形精準。
- 齒輪箱和內環齒輪採整體結構設計,特殊合金鋼材,穩定性高。
低噪音
- 採用精密研磨齒輪,齒面平滑,精度高,齒輪運轉平順而噪音小。
- 採用德製精選人工合成潤滑油,流動性佳,齒輪能在充分油膜保護下運轉,降低噪音。
易安裝
- 減速機聯接板及輸入軸孔尺寸採彈性設計,能與各廠牌的伺服馬逹相結合。
輸出端易結合
- 輸出軸採標準型,中空型,栓槽孔型供客戶選擇。亦可接受客戶指定之結合方式製作。
低齒背隙
- 精密加工和嚴格品質管制
- 標準齒背隙在單段為2~3弧分;雙段為3~4弧分;三段為4~7弧分。
- 精密齒背隙在單段為1~2弧分;雙段為2~3弧分;三段為2~4弧分。
- 亦可接受更低背隙之委製。
長壽命,免保養
- 採用高級鎳鉻鉬合金鋼材,經深層的滲碳硬化處理後,再經精密齒面研磨,使得齒輪剛性大,且齒面光滑耐磨性佳,可延長使用壽命。
- 採用德製優質人工合成潤滑油,流動性佳,富含極壓抗壓劑,齒箱內各零件間充分得到潤滑及保護,可免換機油。
- 採用特製高品質、耐熱、耐磨不易變質之油封,使得密封性佳。
UM 技術資料 (單段) 減速比 4/5.5
| 規格 | 減速比 | UM210 | UM240 | UM270 | UM300 | UM330 | UM360 | UM390 | |
|---|---|---|---|---|---|---|---|---|---|
| 最大加速扭矩 (1) T2B | Nm | 4 | 4190 | 6410 | 9165 | 11220 | 15330 | 20342 | 25285 |
| 5.5 | 3630 | 5550 | 7940 | 9720 | 13280 | 17612 | 21800 | ||
| 緊急停止扭矩(2) T2Not | Nm | 4 | 9100 | 13870 | 19800 | 24230 | 33075 | 43830 | 53640 |
| 5.5 | 7800 | 11935 | 17010 | 20860 | 28470 | 37710 | 46000 | ||
| 額定輸出扭矩 T2N | Nm | 4 | 2725 | 4170 | 5970 | 7310 | 9995 | 13270 | 16800 |
| 5.5 | 2325 | 3360 | 4680 | 6335 | 8660 | 11490 | 14300 | ||
| 額定輸入轉速 n1N | rpm | 4 | 1500 | 1500 | 1500 | 1500 | 1500 | 1500 | 1000 |
| 5.5 | 1500 | 1500 | 1500 | 1500 | 1500 | 1500 | 1000 | ||
| 最大輸入轉速 n1Max | rpm | 4 | 2000 | 2000 | 2000 | 2000 | 2000 | 2000 | 1500 |
| 5.5 | 2000 | 2000 | 2000 | 2000 | 2000 | 2000 | 1500 | ||
| 軸向負荷力(3) Famax | N | 4 | 25280 | 37750 | 48300 | 68700 | 73350 | 80050 | 113500 |
| 5.5 | 25280 | 37750 | 48300 | 68700 | 73350 | 80050 | 113500 | ||
| 標準背隙 | arcmin | 4 | ≤3 | ≤2 | ≤2 | ≤2 | ≤2 | ≤2 | ≤2 |
| 5.5 | ≤3 | ≤2 | ≤2 | ≤2 | ≤2 | ≤2 | ≤2 | ||
| 精密背隙 | arcmin | 4 | ≤2 | ≤1 | ≤1 | ≤1 | ≤1 | ≤1 | ≤1 |
| 5.5 | ≤2 | ≤1 | ≤1 | ≤1 | ≤1 | ≤1 | ≤1 | ||
| 滿載時使用效率 | % | 4 | ≥94 | ≥94 | ≥94 | ≥94 | ≥94 | ≥94 | ≥94 |
| 5.5 | ≥94 | ≥94 | ≥94 | ≥94 | ≥94 | ≥94 | ≥94 | ||
| 使用壽命 LH2 | h | 4 | 20000 | 20000 | 20000 | 20000 | 20000 | 20000 | 20000 |
| 5.5 | 20000 | 20000 | 20000 | 20000 | 20000 | 20000 | 20000 | ||
| 重量 | kg | 4 | 85 | 100 | 110 | 130 | 165 | 195 | 300 |
| 5.5 | 85 | 100 | 110 | 130 | 165 | 195 | 300 | ||
| 噪音值(4) | dB | 4 | ≤70 | ≤70 | ≤70 | ≤70 | ≤70 | ≤70 | ≤70 |
| 5.5 | ≤70 | ≤70 | ≤70 | ≤70 | ≤70 | ≤70 | ≤70 | ||
| 使用溫度範圍 | °C | 4 | -10~+90 | -10~+90 | -10~+90 | -10~+90 | -10~+90 | -10~+90 | -10~+90 |
| 5.5 | -10~+90 | -10~+90 | -10~+90 | -10~+90 | -10~+90 | -10~+90 | -10~+90 | ||
| 防護等級 | 4 | IP64 | IP64 | IP64 | IP64 | IP64 | IP64 | IP64 | |
| 5.5 | IP64 | IP64 | IP64 | IP64 | IP64 | IP64 | IP64 | ||
| 潤滑油 | 4 | ISO VG220 | ISO VG220 | ISO VG220 | ISO VG220 | ISO VG220 | ISO VG220 | ISO VG220 | |
| 5.5 | ISO VG220 | ISO VG220 | ISO VG220 | ISO VG220 | ISO VG220 | ISO VG220 | ISO VG220 | ||
| 轉動慣量 | kg‧cm2 | 4 | 210.28 | 337.90 | 394.94 | - | - | - | - |
| 5.5 | 204.50 | 327.23 | 376.85 | - | - | - | - | ||
註(2)堪用期內可作1000次之動作。
註(3)輸出轉速100rpm作用於輸出軸中心。
連續運轉將會減少減速機二分之一的使用壽命。
客戶所需之減速比,若非表內所有,可與本公司洽詢。
UM 技術資料 (雙段、三段) 減速比12~220
| 規格 | 減速比 | UM210 | UM240 | UM270 | UM300 | UM330 | UM360 | UM390 | |
|---|---|---|---|---|---|---|---|---|---|
| 最大加速扭矩 (1) T2B | Nm | 12 | 4375 | 6920 | 10400 | 12745 | 15755 | 24380 | 29500 |
| 16 | 4375 | 6920 | 11250 | 13120 | 16980 | 24940 | 30500 | ||
| 22 | 4375 | 6920 | 11250 | 13120 | 16980 | 24940 | 30500 | ||
| 36 | 4395 | 8225 | 10220 | 14210 | 16990 | 27645 | 32000 | ||
| 48 | 4395 | 8225 | 10220 | 14210 | 16990 | 27645 | 32000 | ||
| 66 | 5540 | 8650 | 12330 | 14350 | 18945 | 27640 | 32500 | ||
| 88 | 5540 | 8650 | 12330 | 14350 | 18945 | 27640 | 32500 | ||
| 110 | 5540 | 8650 | 12330 | 14350 | 18945 | 27640 | 32500 | ||
| 154 | 5105 | 8118 | 12185 | 14300 | 18690 | 26400 | 33000 | ||
| 220 | 5105 | 8118 | 12185 | 14300 | 18690 | 26400 | 33000 | ||
| 緊急停止扭矩(2) T2Not | Nm | 12 | 9600 | 15180 | 21970 | 26955 | 33160 | 50850 | 61000 |
| 16 | 9600 | 15180 | 23320 | 28640 | 37000 | 51730 | 62400 | ||
| 22 | 9600 | 15180 | 23320 | 28640 | 37000 | 51730 | 62400 | ||
| 36 | 10460 | 16870 | 23180 | 29155 | 38060 | 55720 | 64400 | ||
| 48 | 10460 | 16870 | 23180 | 29155 | 38060 | 55720 | 64400 | ||
| 66 | 11150 | 17480 | 24935 | 29155 | 42210 | 55720 | 65400 | ||
| 88 | 11150 | 17480 | 24935 | 29155 | 42210 | 55720 | 65400 | ||
| 110 | 11150 | 17480 | 24935 | 29155 | 42210 | 55720 | 65400 | ||
| 154 | 10230 | 17600 | 19490 | 29155 | 42335 | 55800 | 65800 | ||
| 220 | 10230 | 17600 | 19490 | 29155 | 42335 | 55800 | 65800 | ||
| 額定輸出扭矩 T2N | Nm | 12 | 3095 | 4985 | 7165 | 8400 | 10595 | 15900 | 19300 |
| 16 | 3095 | 4985 | 7590 | 8800 | 10800 | 16840 | 19950 | ||
| 22 | 3095 | 4985 | 7590 | 8800 | 10800 | 16840 | 19950 | ||
| 36 | 3115 | 5475 | 7115 | 9470 | 10810 | 17900 | 20910 | ||
| 48 | 3115 | 5475 | 7115 | 9470 | 10810 | 17900 | 20910 | ||
| 66 | 3330 | 5540 | 8075 | 9500 | 10820 | 17935 | 21250 | ||
| 88 | 3330 | 5540 | 8075 | 9500 | 10820 | 17935 | 21250 | ||
| 110 | 3330 | 5540 | 8075 | 9500 | 10820 | 17935 | 21250 | ||
| 154 | 2905 | 4620 | 8115 | 9500 | 10680 | 17460 | 21500 | ||
| 220 | 2905 | 4620 | 8115 | 9500 | 10680 | 17460 | 21500 | ||
| 額定輸入轉速 n1N | rpm | 12 | 1500 | 1500 | 1500 | 1500 | 1500 | 1500 | 1500 |
| 16 | 1500 | 1500 | 1500 | 1500 | 1500 | 1500 | 1500 | ||
| 22 | 1500 | 1500 | 1500 | 1500 | 1500 | 1500 | 1500 | ||
| 36 | 1500 | 1500 | 1500 | 1500 | 1500 | 1500 | 1500 | ||
| 48 | 1500 | 1500 | 1500 | 1500 | 1500 | 1500 | 1500 | ||
| 66 | 1500 | 1500 | 1500 | 1500 | 1500 | 1500 | 1500 | ||
| 88 | 1500 | 1500 | 1500 | 1500 | 1500 | 1500 | 1500 | ||
| 110 | 1500 | 1500 | 1500 | 1500 | 1500 | 1500 | 1500 | ||
| 154 | 1500 | 1500 | 1500 | 1500 | 1500 | 1500 | 1500 | ||
| 220 | 1500 | 1500 | 1500 | 1500 | 1500 | 1500 | 1500 | ||
| 最大輸入轉速 n1Max | rpm | 12 | 3000 | 3000 | 3000 | 3000 | 2500 | 2000 | 1500 |
| 16 | 3000 | 3000 | 3000 | 3000 | 2500 | 2000 | 1500 | ||
| 22 | 3000 | 3000 | 3000 | 3000 | 2500 | 2000 | 1500 | ||
| 36 | 3000 | 3000 | 3000 | 3000 | 2500 | 2000 | 1500 | ||
| 48 | 3000 | 3000 | 3000 | 3000 | 2500 | 2000 | 1500 | ||
| 66 | 3000 | 3000 | 3000 | 3000 | 2500 | 2000 | 1500 | ||
| 88 | 3000 | 3000 | 3000 | 3000 | 2500 | 2000 | 1500 | ||
| 110 | 3000 | 3000 | 3000 | 3000 | 2500 | 2000 | 1500 | ||
| 154 | 3000 | 3000 | 3000 | 3000 | 2500 | 2000 | 1500 | ||
| 220 | 3000 | 3000 | 3000 | 3000 | 2500 | 2000 | 1500 | ||
| 軸向負荷力(3) Famax | N | 12 | 25280 | 37750 | 48300 | 68700 | 73350 | 80050 | 113500 |
| 16 | 25280 | 37750 | 48300 | 68700 | 73350 | 80050 | 113500 | ||
| 22 | 25280 | 37750 | 48300 | 68700 | 73350 | 80050 | 113500 | ||
| 36 | 25280 | 37750 | 48300 | 68700 | 73350 | 80050 | 113500 | ||
| 48 | 25280 | 37750 | 48300 | 68700 | 73350 | 80050 | 113500 | ||
| 66 | 25280 | 37750 | 48300 | 68700 | 73350 | 80050 | 113500 | ||
| 88 | 25280 | 37750 | 48300 | 68700 | 73350 | 80050 | 113500 | ||
| 110 | 25280 | 37750 | 48300 | 68700 | 73350 | 80050 | 113500 | ||
| 154 | 25280 | 37750 | 48300 | 68700 | 73350 | 80050 | 113500 | ||
| 220 | 25280 | 37750 | 48300 | 68700 | 73350 | 80050 | 113500 | ||
| 標準背隙 | arcmin | 12 | ≤4 | ≤4 | ≤3 | ≤3 | ≤3 | ≤3 | ≤3 |
| 16 | ≤4 | ≤4 | ≤3 | ≤3 | ≤3 | ≤3 | ≤3 | ||
| 22 | ≤4 | ≤4 | ≤3 | ≤3 | ≤3 | ≤3 | ≤3 | ||
| 36 | ≤7 | ≤6 | ≤6 | ≤5 | ≤5 | ≤4 | ≤4 | ||
| 48 | ≤7 | ≤6 | ≤6 | ≤5 | ≤5 | ≤4 | ≤4 | ||
| 66 | ≤7 | ≤6 | ≤6 | ≤5 | ≤5 | ≤4 | ≤4 | ||
| 88 | ≤7 | ≤6 | ≤6 | ≤5 | ≤5 | ≤4 | ≤4 | ||
| 110 | ≤7 | ≤6 | ≤6 | ≤5 | ≤5 | ≤4 | ≤4 | ||
| 154 | ≤7 | ≤6 | ≤6 | ≤5 | ≤5 | ≤4 | ≤4 | ||
| 220 | ≤7 | ≤6 | ≤6 | ≤5 | ≤5 | ≤4 | ≤4 | ||
| 精密背隙 | arcmin | 12 | ≤3 | ≤2 | ≤2 | ≤2 | ≤2 | ≤2 | ≤2 |
| 16 | ≤3 | ≤2 | ≤2 | ≤2 | ≤2 | ≤2 | ≤2 | ||
| 22 | ≤3 | ≤2 | ≤2 | ≤2 | ≤2 | ≤2 | ≤2 | ||
| 36 | ≤4 | ≤3 | ≤3 | ≤3 | ≤3 | ≤3 | ≤3 | ||
| 48 | ≤4 | ≤3 | ≤3 | ≤3 | ≤3 | ≤3 | ≤3 | ||
| 66 | ≤4 | ≤3 | ≤3 | ≤3 | ≤3 | ≤3 | ≤3 | ||
| 88 | ≤4 | ≤3 | ≤3 | ≤3 | ≤3 | ≤3 | ≤3 | ||
| 110 | ≤4 | ≤3 | ≤3 | ≤3 | ≤3 | ≤3 | ≤3 | ||
| 154 | ≤4 | ≤3 | ≤3 | ≤3 | ≤3 | ≤3 | ≤3 | ||
| 220 | ≤4 | ≤3 | ≤3 | ≤3 | ≤3 | ≤3 | ≤3 | ||
| 滿載時使用效率 | % | 12 | ≥90 | ≥90 | ≥90 | ≥90 | ≥90 | ≥90 | ≥90 |
| 16 | ≥90 | ≥90 | ≥90 | ≥90 | ≥90 | ≥90 | ≥90 | ||
| 22 | ≥90 | ≥90 | ≥90 | ≥90 | ≥90 | ≥90 | ≥90 | ||
| 36 | ≥90 | ≥90 | ≥90 | ≥90 | ≥90 | ≥90 | ≥90 | ||
| 48 | ≥90 | ≥90 | ≥90 | ≥90 | ≥90 | ≥90 | ≥90 | ||
| 66 | ≥90 | ≥90 | ≥90 | ≥90 | ≥90 | ≥90 | ≥90 | ||
| 88 | ≥90 | ≥90 | ≥90 | ≥90 | ≥90 | ≥90 | ≥90 | ||
| 110 | ≥90 | ≥90 | ≥90 | ≥90 | ≥90 | ≥90 | ≥90 | ||
| 154 | ≥90 | ≥90 | ≥90 | ≥90 | ≥90 | ≥90 | ≥90 | ||
| 220 | ≥90 | ≥90 | ≥90 | ≥90 | ≥90 | ≥90 | ≥90 | ||
| 使用壽命 LH2 | h | 12 | 20000 | 20000 | 20000 | 20000 | 20000 | 20000 | 20000 |
| 16 | 20000 | 20000 | 20000 | 20000 | 20000 | 20000 | 20000 | ||
| 22 | 20000 | 20000 | 20000 | 20000 | 20000 | 20000 | 20000 | ||
| 36 | 20000 | 20000 | 20000 | 20000 | 20000 | 20000 | 20000 | ||
| 48 | 20000 | 20000 | 20000 | 20000 | 20000 | 20000 | 20000 | ||
| 66 | 20000 | 20000 | 20000 | 20000 | 20000 | 20000 | 20000 | ||
| 88 | 20000 | 20000 | 20000 | 20000 | 20000 | 20000 | 20000 | ||
| 110 | 20000 | 20000 | 20000 | 20000 | 20000 | 20000 | 20000 | ||
| 154 | 20000 | 20000 | 20000 | 20000 | 20000 | 20000 | 20000 | ||
| 220 | 20000 | 20000 | 20000 | 20000 | 20000 | 20000 | 20000 | ||
| 重量 | kg | 12 | 90 | 125 | 138 | 162 | 200 | 235 | 290 |
| 16 | 90 | 125 | 138 | 162 | 200 | 235 | 290 | ||
| 22 | 90 | 125 | 138 | 162 | 200 | 235 | 290 | ||
| 36 | 95 | 135 | 150 | 175 | 220 | 250 | 380 | ||
| 48 | 95 | 135 | 150 | 175 | 220 | 250 | 380 | ||
| 66 | 95 | 135 | 150 | 175 | 220 | 250 | 380 | ||
| 88 | 95 | 135 | 150 | 175 | 220 | 250 | 380 | ||
| 110 | 95 | 135 | 150 | 175 | 220 | 250 | 380 | ||
| 154 | 95 | 135 | 150 | 175 | 220 | 250 | 380 | ||
| 220 | 95 | 135 | 150 | 175 | 220 | 250 | 380 | ||
| 噪音值(4) | dB | 12 | ≤70 | ≤70 | ≤70 | ≤70 | ≤70 | ≤70 | ≤70 |
| 22 | ≤70 | ≤70 | ≤70 | ≤70 | ≤70 | ≤70 | ≤70 | ||
| 36 | ≤70 | ≤70 | ≤70 | ≤70 | ≤70 | ≤70 | ≤70 | ||
| 48 | ≤70 | ≤70 | ≤70 | ≤70 | ≤70 | ≤70 | ≤70 | ||
| 66 | ≤70 | ≤70 | ≤70 | ≤70 | ≤70 | ≤70 | ≤70 | ||
| 88 | ≤70 | ≤70 | ≤70 | ≤70 | ≤70 | ≤70 | ≤70 | ||
| 110 | ≤70 | ≤70 | ≤70 | ≤70 | ≤70 | ≤70 | ≤70 | ||
| 154 | ≤70 | ≤70 | ≤70 | ≤70 | ≤70 | ≤70 | ≤70 | ||
| 220 | ≤70 | ≤70 | ≤70 | ≤70 | ≤70 | ≤70 | ≤70 | ||
| 使用溫度範圍 | °C | 12 | -10~+90 | -10~+90 | -10~+90 | -10~+90 | -10~+90 | -10~+90 | -10~+90 |
| 16 | -10~+90 | -10~+90 | -10~+90 | -10~+90 | -10~+90 | -10~+90 | -10~+90 | ||
| 22 | -10~+90 | -10~+90 | -10~+90 | -10~+90 | -10~+90 | -10~+90 | -10~+90 | ||
| 36 | -10~+90 | -10~+90 | -10~+90 | -10~+90 | -10~+90 | -10~+90 | -10~+90 | ||
| 48 | -10~+90 | -10~+90 | -10~+90 | -10~+90 | -10~+90 | -10~+90 | -10~+90 | ||
| 66 | -10~+90 | -10~+90 | -10~+90 | -10~+90 | -10~+90 | -10~+90 | -10~+90 | ||
| 88 | -10~+90 | -10~+90 | -10~+90 | -10~+90 | -10~+90 | -10~+90 | -10~+90 | ||
| 110 | -10~+90 | -10~+90 | -10~+90 | -10~+90 | -10~+90 | -10~+90 | -10~+90 | ||
| 154 | -10~+90 | -10~+90 | -10~+90 | -10~+90 | -10~+90 | -10~+90 | -10~+90 | ||
| 220 | -10~+90 | -10~+90 | -10~+90 | -10~+90 | -10~+90 | -10~+90 | -10~+90 | ||
| 防護等級 | 12 | IP64 | IP64 | IP64 | IP64 | IP64 | IP64 | IP64 | |
| 16 | IP64 | IP64 | IP64 | IP64 | IP64 | IP64 | IP64 | ||
| 22 | IP64 | IP64 | IP64 | IP64 | IP64 | IP64 | IP64 | ||
| 36 | IP64 | IP64 | IP64 | IP64 | IP64 | IP64 | IP64 | ||
| 48 | IP64 | IP64 | IP64 | IP64 | IP64 | IP64 | IP64 | ||
| 66 | IP64 | IP64 | IP64 | IP64 | IP64 | IP64 | IP64 | ||
| 88 | IP64 | IP64 | IP64 | IP64 | IP64 | IP64 | IP64 | ||
| 110 | IP64 | IP64 | IP64 | IP64 | IP64 | IP64 | IP64 | ||
| 154 | IP64 | IP64 | IP64 | IP64 | IP64 | IP64 | IP64 | ||
| 220 | IP64 | IP64 | IP64 | IP64 | IP64 | IP64 | IP64 | ||
| 潤滑油 | 12 | ISO VG220 | ISO VG220 | ISO VG220 | ISO VG220 | ISO VG220 | ISO VG220 | ISO VG220 | |
| 16 | ISO VG220 | ISO VG220 | ISO VG220 | ISO VG220 | ISO VG220 | ISO VG220 | ISO VG220 | ||
| 22 | ISO VG220 | ISO VG220 | ISO VG220 | ISO VG220 | ISO VG220 | ISO VG220 | ISO VG220 | ||
| 36 | ISO VG220 | ISO VG220 | ISO VG220 | ISO VG220 | ISO VG220 | ISO VG220 | ISO VG220 | ||
| 48 | ISO VG220 | ISO VG220 | ISO VG220 | ISO VG220 | ISO VG220 | ISO VG220 | ISO VG220 | ||
| 66 | ISO VG220 | ISO VG220 | ISO VG220 | ISO VG220 | ISO VG220 | ISO VG220 | ISO VG220 | ||
| 88 | ISO VG220 | ISO VG220 | ISO VG220 | ISO VG220 | ISO VG220 | ISO VG220 | ISO VG220 | ||
| 110 | ISO VG220 | ISO VG220 | ISO VG220 | ISO VG220 | ISO VG220 | ISO VG220 | ISO VG220 | ||
| 154 | ISO VG220 | ISO VG220 | ISO VG220 | ISO VG220 | ISO VG220 | ISO VG220 | ISO VG220 | ||
| 220 | ISO VG220 | ISO VG220 | ISO VG220 | ISO VG220 | ISO VG220 | ISO VG220 | ISO VG220 | ||
| 轉動慣量 | kg‧cm2 | 12 | 61.61 | 94.96 | 149.5 | - | 455.38 | - | - |
| 16 | 54.49 | 83.93 | 128.26 | - | 396.10 | - | - | ||
| 22 | 53.77 | 82.33 | 121.96 | - | 381.10 | - | - | ||
| 36 | 20.24 | 47.42 | 57.97 | - | 90.10 | - | - | ||
| 48 | 18.29 | 43.14 | 53.55 | - | 82.07 | - | - | ||
| 66 | 20.24 | 47.42 | 57.97 | - | 90.10 | - | - | ||
| 88 | 18.29 | 43.14 | 53.55 | - | 82.07 | - | - | ||
| 110 | 18.04 | 42.54 | 52.95 | 78.68 | 80.58 | - | - | ||
| 154 | 17.41 | 42.05 | 52.51 | - | 102.95 | - | - | ||
| 220 | 17.38 | 42.00 | 52.46 | - | 102.25 | - | - | ||
註(2)堪用期內可作1000次之動作。
註(3)輸出轉速100rpm作用於輸出軸中心。
連續運轉將會減少減速機二分之一的使用壽命。
客戶所需之減速比,若非表內所有,可與本公司洽詢。
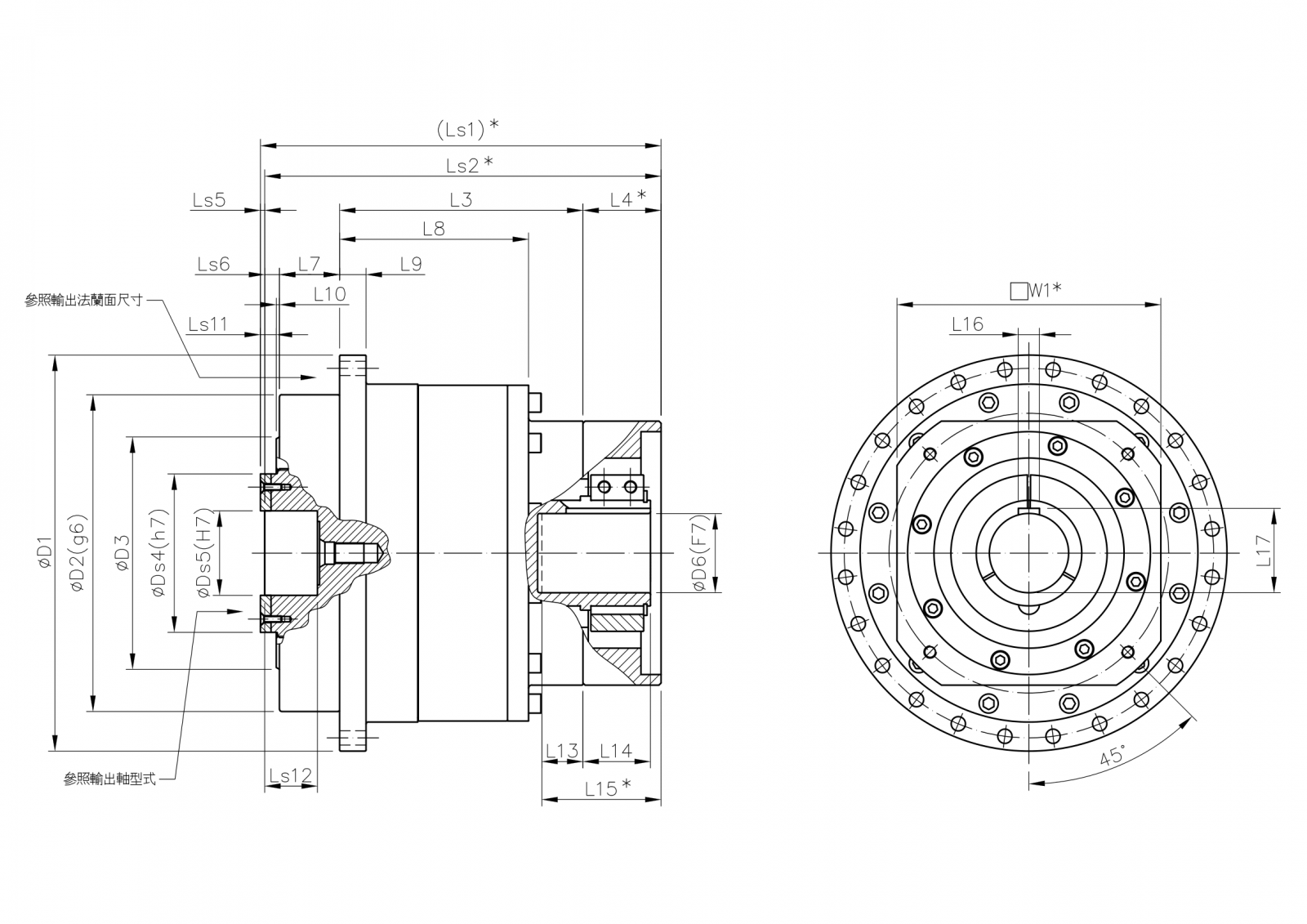
UM外觀尺寸 (單段 4 / 5.5 比)[mm]
.jpg)
| 規格 | UM210 | UM240 | UM270 | UM300 | UM330 | UM360 | UM390 |
|---|---|---|---|---|---|---|---|
| 段數 | 1 | 1 | 1 | 1 | 1 | 1 | 1 |
| ※W1 min. | 200 | 220 | 250 | 250 | 270 | 320 | 370 |
| D1 | 305 | 325 | 350 | 375 | 430 | 475 | 550 |
| D2 (g6) | 230 | 270 | 280 | 300 | 320 | 385 | 420 |
| D3 | 160 | 190 | 200 | 220 | 240 | 280 | 320 |
| Ds4 | 125 | 145 | 160 | 170 | 180 | 220 | 250 |
| Ds5 (H7) | 45 | 50 | 50 | 50 | 60 | 80 | 100 |
| D6 (F7) max. | 65 | 70 | 75 | 75 | 85 | 100 | 100 |
| Ls1 | 342.5 | 367 | 423 | 413 | 456 | 525.5 | 603 |
| Ls2 | 338.5 | 362 | 417 | 407 | 451 | 517.5 | 594 |
| L3 | 174 | 196 | 223 | 226 | 240 | 281.5 | 313 |
| ※L4 | 84 | 85 | 94 | 74 | 87 | 102 | 105 |
| Ls5 | 4 | 5 | 5 | 6 | 5 | 8 | 9 |
| Ls6 | 15 | 18 | 18 | 17 | 18 | 20 | 36 |
| L7 | 45 | 51 | 54 | 57 | 62 | 86 | 92 |
| L8 | 162.5 | 175 | 207 | 214 | 237 | 244.5 | 270 |
| L9 | 18 | 20 | 22 | 25 | 25 | 25 | 30 |
| L10 | 3 | 3 | 3 | 3 | 3 | 3 | 4 |
| Ls11 | 18 | 23 | 23 | 24 | 27 | 29 | 45 |
| Ls12 | 25 | 35 | 50 | 50 | 60 | 60 | 80 |
| L13 | 33 | 34 | 46 | 39 | 40 | 43 | 70 |
| L14 | 74 | 72 | 79 | 64 | 77 | 75 | 90.5 |
| ※L15 min. | 117 | 116 | 140 | 113 | 127 | 140 | 175 |
| L16 | 18 | 20 | 20 | 20 | 22 | 28 | 28 |
| L17 | 69.4 | 74.9 | 79.9 | 79.9 | 90.4 | 106.4 | 106.4 |
※此記號表示之尺寸視聯結之伺服馬達不同而有所變動。
本公司的產品不斷的研究﹑發展。上表所示之尺寸力求精準,若有不符,仍以實物為準,如需確實之尺寸,可洽本公司。
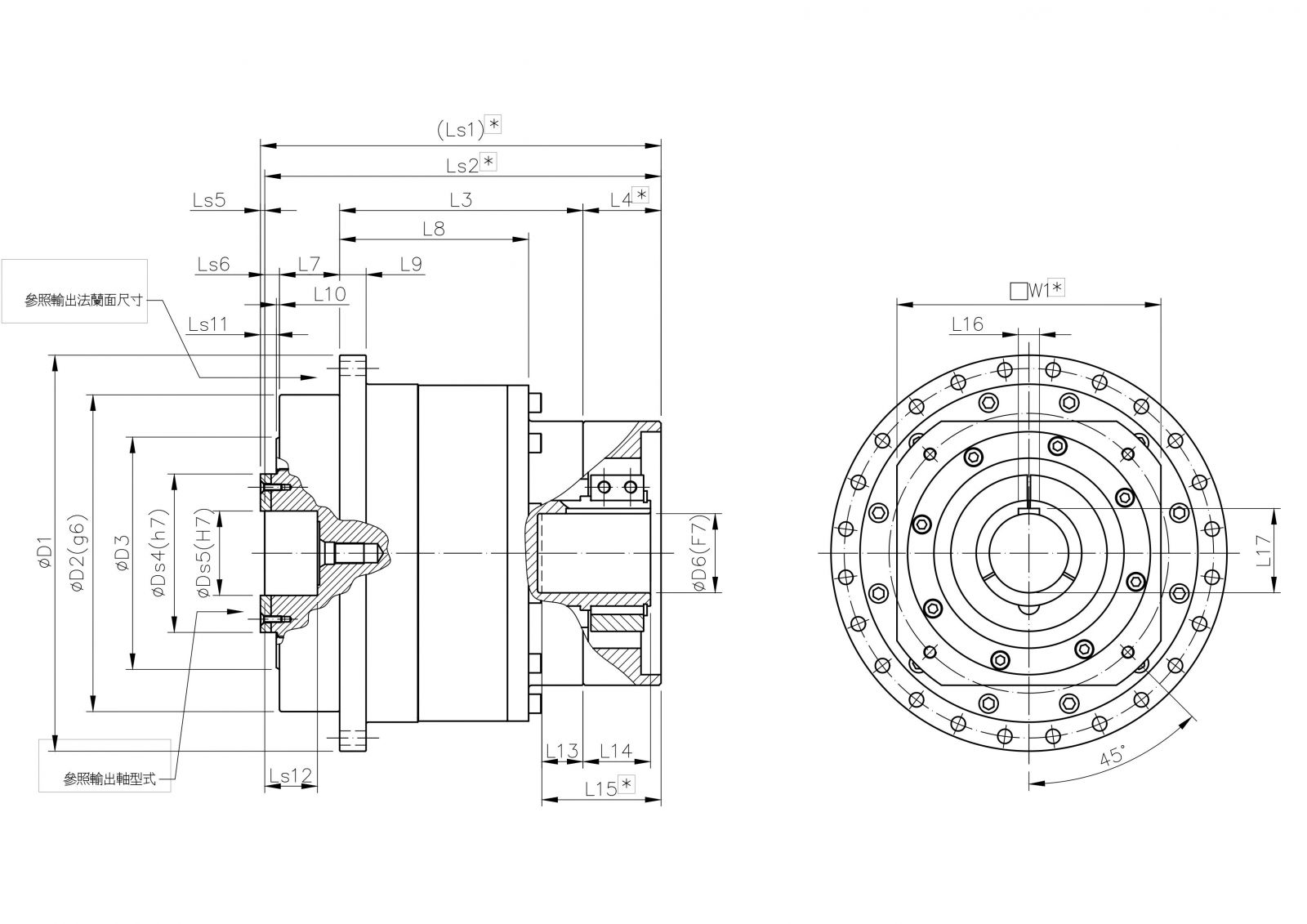
UM外觀尺寸 (雙段、三段 12 ~ 220 比)[mm]
-1.png)
| 規格 | UM210 | UM240 | UM270 | UM300 | UM330 | UM360 | UM390 | |||||||
|---|---|---|---|---|---|---|---|---|---|---|---|---|---|---|
| 段數 | 2 | 3 | 2 | 3 | 2 | 3 | 2 | 3 | 2 | 3 | 2 | 3 | 2 | 3 |
| ※W1 min. | 180 | 150 | 220 | 180 | 240 | 190 | 250 | 220 | 220 | 190 | 260 | 220 | 340 | 370 |
| D1 | 305 | 325 | 350 | 375 | 430 | 475 | 550 | |||||||
| D2 (g6) | 230 | 270 | 280 | 300 | 320 | 385 | 420 | |||||||
| D3 | 160 | 190 | 200 | 220 | 240 | 280 | 320 | |||||||
| Ds4 (h7) | 125 | 145 | 160 | 170 | 180 | 220 | 250 | |||||||
| Ds5 (H7) | 45 | 50 | 50 | 50 | 60 | 80 | 100 | |||||||
| D6 (F7) max.) | 55 | 42 | 60 | 48 | 65 | 55 | 65 | 60 | 70 | 60 | 80 | 70 | 80 | 70 |
| Ls1 | 394 | 309.5 | 418.5 | 466 | 470 | 497.5 | 480 | 523.5 | 503 | 555.5 | 573 | 639 | 630 | 687.5 |
| Ls2 | 390 | 305.5 | 413.5 | 461 | 465 | 492.5 | 474 | 517.5 | 498 | 550.5 | 565 | 631 | 621 | 678.5 |
| L3 | 246 | 290.5 | 262.5 | 313 | 309 | 359.5 | 313 | 366.5 | 336 | 388.5 | 381 | 441.5 | 408 | 465.5 |
| ※L4 | 84 | 55 | 82 | 79 | 84 | 61 | 89 | 79 | 82 | 82 | 78 | 83.5 | 85 | 85 |
| Ls5 | 4 | 5 | 5 | 6 | 5 | 8 | 9 | |||||||
| Ls6 | 15 | 18 | 18 | 17 | 18 | 20 | 36 | |||||||
| L7 | 45 | 51 | 54 | 57 | 62 | 86 | 92 | |||||||
| L8 | 162.5 | 175 | 207 | 214 | 237 | 244.5 | 270 | |||||||
| L9 | 18 | 20 | 22 | 25 | 25 | 25 | 30 | |||||||
| L10 | 3 | 3 | 3 | 3 | 3 | 3 | 4 | |||||||
| Ls11 | 18 | 23 | 23 | 24 | 27 | 29 | 45 | |||||||
| Ls12 | 25 | 35 | 50 | 50 | 60 | 60 | 80 | |||||||
| L13 | 29 | 24 | 34 | 34 | 32 | 31 | 33 | 37 | 38 | 34 | 32 | 32.5 | 40 | 35 |
| L14 | 57.5 | 43.5 | 63.5 | 52.5 | 84 | 53.5 | 81 | 62 | 74 | 67 | 71.5 | 71.5 | 70 | 77 |
| ※L15 min. | 93 | 78 | 104 | 100 | 116 | 92 | 122 | 103 | 120 | 108 | 110 | 116 | 125 | 120 |
※此記號表示之尺寸視聯結之伺服馬達不同而有所變動。
本公司的產品不斷的研究﹑發展。上表所示之尺寸力求精準,若有不符,仍以實物為準,如需確實之尺寸,可洽本公司。
工具機業
- CNC重型龍門銑床
- CNC深孔加工機
- CNC重型臥車/立車
- CNC動柱式龍門銑床
- 重型CNC彎管機
產業機械
- 塑膠押出機
- 精密重負荷機械
- 造紙機械
- 全電式塑膠射出成型機
工程機械
- 重型工程機械
- 潛遁機
風力發電
- 風力發電機
安裝方位

齒條傳動
